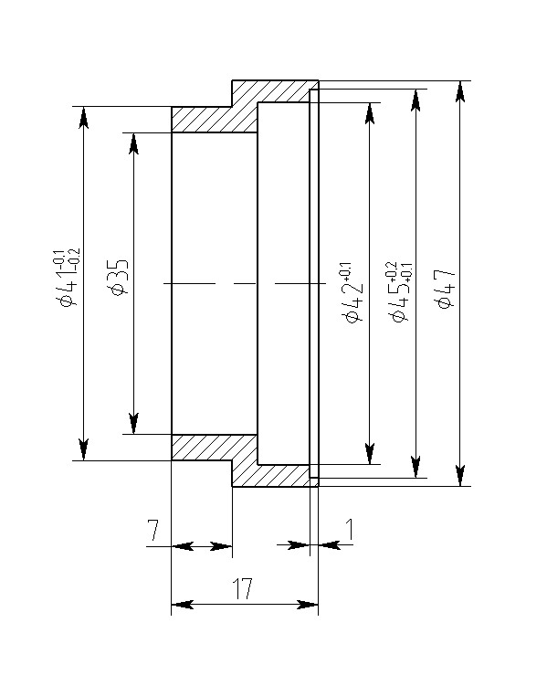
Дано – oem-ная вилка SR-SUNTOUR MAG32. Родные пыльники перестали держать грязь. С покупкой родных сантуровских пыльников есть определенный напряг. Рокшоксовские пыльники более распространены. Но посадочный диаметр сантуровских пыльников 41мм, а рокшоксковских 42мм.
Для установки не родных пыльников были изготовлены переходники. Переходники были вклеены. Зазор между переходниками и гориллой был заполнен компаундом. После схватывания компаунда все было слегка выровнено шкуркой, а затем покрашено из баллончика.
Также, между переходниками и башингами, были установлены поролоновые колечки из комплекта. Колечки пришлось подрезать по высоте. Посадочный диаметр под колечки меньше чем родной. При сборке вилки поролон немного закусывало, но поролон ужался и все собралось.
При полном сжатии вилки пыльники упирались в корону. Не хватало 2-3мм хода. Пришлось в штанину положить резинку толщиной 5мм. 







(c)ZxV 2011